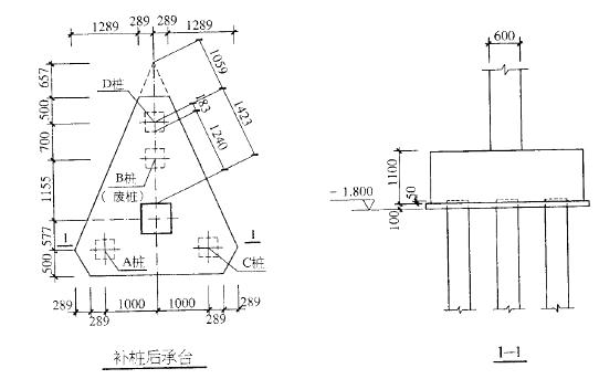
<p>某工程采用打入式钢筋混凝土预制方桩,桩截面边长为400mm,单桩竖向抗压承载力特征值Ra=750kN。某柱下原设计布置

分类: (结构) 专业考试一级 发布时间: 2023-11-03 00:56 浏览量: 0

某工程采用打入式钢筋混凝土预制方桩,桩截面边长为400mm,单桩竖向抗压承载力特征值Ra=750kN。某柱下原设计布置 A、 B、C三桩,工程桩施工完毕后,检测发现B桩有严重缺陷,按废桩处理(桩顶与承台始终保持脱开状态),需要补打D桩,补桩后的桩基承台如图所示。承台高度为1100mm,混凝土强度等级为C35(ft=1.57N/mm2),柱截面尺寸为600mmx600mm。 提示:按《建筑桩基技术规范》(JGJ94-2008)作答,承台的有效高度h0按1050mm取用。 假定,柱只受轴心荷载作用,相应于荷载效应标准组合时,原设计单桩承担的竖向压力均为745kN,假定承台尺寸变化引起的承台及其上覆土重量和基底竖向力合力作用点的变化可忽略不计。试问,补桩后此三桩承台下单桩承担的最大竖向压力值(kN)与下述何项最为接近?

A.750

B.790

C.850

D.900

正确答案是C