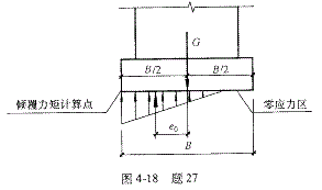
<p>假定本工程设有两层地下室,如图4-18所示,总重力荷载合力作用点与基础底面形心重合,基础底面反力呈线性分布,上部及地下室基

分类: (结构) 专业考试一级 发布时间: 2023-11-03 00:56 浏览量: 1

假定本工程设有两层地下室,如图4-18所示,总重力荷载合力作用点与基础底面形心重合,基础底面反力呈线性分布,上部及地下室基础总重力荷载标准值为 G,水平荷载与竖向荷载共同作用下基底反力的合力点到基础中心的距离为e0。试问,当满足规程对基础底面与地基之间零应力区面积限值时,抗倾覆力矩MR与倾覆力矩MOV的最小比值,与下列何项数值最为接近?

A.1.5

B.1.9

C.2.3

D.2.7

正确答案是C