<p>某7度抗震设防的高层钢筋混凝土框架结构,抗震等级为二级,地上10层,柱混凝土强度等级为C35<img alt="" src

分类: (结构) 专业考试二级 发布时间: 2023-11-03 00:57 浏览量: 0

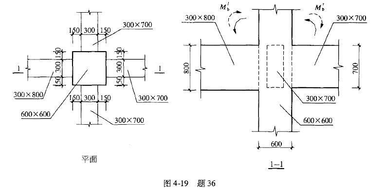
某7度抗震设防的高层钢筋混凝土框架结构,抗震等级为二级,地上10层,柱混凝土强度等级为C35。 该框架第五层中柱节点,其纵、横梁及柱截面尺寸如图4-19所示。抗震设计时,节点左右梁端相同时针方向组合的弯矩设计值之和∑Mb=450kN.m(为较大值)。节点上、下柱反弯点之间的距离H0=4.7m。梁纵向钢筋的。试问,1一1剖面方向节点核心区组合的剪力设计值(kN),与下列何项数值最为接近?

A.549

B.602

C.657

D.722

正确答案是C