<p>某建筑物的地基基础设计等级为乙级,采用柱下桩基,工程桩采用泥浆护壁钻孔灌注桩,桩径<img alt="" src="htt

分类: (结构) 专业考试二级 发布时间: 2023-11-03 00:57 浏览量: 1

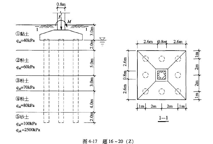
某建筑物的地基基础设计等级为乙级,采用柱下桩基,工程桩采用泥浆护壁钻孔灌注桩,桩径为650mm。相应于荷载效应标准组合时,由上部结构传至基础顶面的竖向力Fk为10000kN,力矩为1200kN.m,为0;相应于荷载效应基本组合时,由上部结构传至基础顶面的竖向力F为13000kN,力矩Mx为1560kN.m,My为0。基础及其上土的加权平均重度为20kN/m3,承台及方柱的尺寸、桩的布置以及各土层的地质情况见图4-17。提示:根据《建筑桩基技术规范》(JGJ94—2008)作答。 验算承台受柱冲切承载力时,假定由柱边至四周桩顶内边缘形成的冲切破坏锥体与承台底面的夹角大于45°。试问,该冲切破坏锥体上相应于荷载效应基本组合的冲切力设计值(kN),与下列何项数值最为接近?

A.6730

B.8890

C.11560

D.13720

正确答案是C