<p>某建筑物的地基基础设计等级为乙级,采用柱下桩基,工程桩采用泥浆护壁钻孔灌注桩,桩径<img alt="" src="htt

分类: (结构) 专业考试二级 发布时间: 2023-11-03 00:57 浏览量: 0

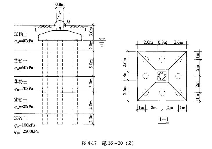
某建筑物的地基基础设计等级为乙级,采用柱下桩基,工程桩采用泥浆护壁钻孔灌注桩,桩径为650mm。相应于荷载效应标准组合时,由上部结构传至基础顶面的竖向力Fk为10000kN,力矩为1200kN.m,为0;相应于荷载效应基本组合时,由上部结构传至基础顶面的竖向力F为13000kN,力矩Mx为1560kN.m,My为0。基础及其上土的加权平均重度为20kN/m3,承台及方柱的尺寸、桩的布置以及各土层的地质情况见图4-17。提示:根据《建筑桩基技术规范》(JGJ94—2008)作答。 按单桩承载力验算桩数时,试问,在偏心竖向力作用下,承受较大压力一侧基桩的竖向力(kN),与下列何项数值最为接近?

A.1010

B.1210

C.1250

D.1450

正确答案是D