某办公楼现浇钢筋混凝土三跨连续梁如图5-1所示,其结构安全等级为二级,混凝土强度等级为C30,纵向钢筋采用HRB335级钢筋(Φ),箍筋采用HPB235级钢筋(
)。梁上作用的恒荷载标准值(含自重)gk=25kN/m,活荷载标准值qk=20kN/m。
提示:计算梁内力时应考虑活荷载的不利布置,连续梁内力系数见表5-1(Z)。
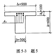
该梁B支座处截面及配筋如图5-3所示。梁顶纵向受拉钢筋为6
22(As=2280mm2),按荷载效应标准组合计算的梁纵向受拉钢筋的应力=230N/mm2,纵向钢筋保护层厚度c=25mm。试问,该梁支座处按荷载效应的标准组合并考虑长期作用影响的最大裂缝宽度wmax(mm),应与下列何项数值最为接近?

A.0.25
B.0.29
C.0.33
D.0.37
正确答案是B