某办公楼现浇钢筋混凝土三跨连续梁如图5-1所示,其结构安全等级为二级,混凝土强度等级为C30,纵向钢筋采用HRB335级钢筋(Φ),箍筋采用HPB235级钢筋(
)。梁上作用的恒荷载标准值(含自重)gk=25kN/m,活荷载标准值qk=20kN/m。
提示:计算梁内力时应考虑活荷载的不利布置,连续梁内力系数见表5-1(Z)。
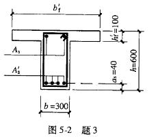
该梁的截面如图5-2所示。截面尺寸bXh=300mmx600mm,翼缘高度(楼板厚度)hf'=100mm,楼面梁间净距Sn=3000mm。试问,当进行正截面受弯承载力计算时,该梁跨中截面受压区的翼缘计算宽度bf'(mm)取下列何项数值最为合适?

A.900
B.1500
C.2400
D.3300
正确答案是B