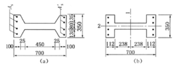
<p>已知某单层工业厂房的I形截面边柱,有吊车,从基础顶面算起下柱高6.7m,柱的控制内力N=853.5kN,M=352.5kN

分类: (结构) 专业考试二级 发布时间: 2023-11-03 00:57 浏览量: 0

已知某单层工业厂房的I形截面边柱,有吊车,从基础顶面算起下柱高6.7m,柱的控制内力N=853.5kN,M=352.5kN·m,截面尺寸如图所示。混凝土强度等级为C35,采用HRB335钢筋,对称配筋。安全等级为二级,环境类别为二类。 该柱截面的界限受压区高度xb最接近于()mm。

A.360

B.428

C.497

D.544

正确答案是A