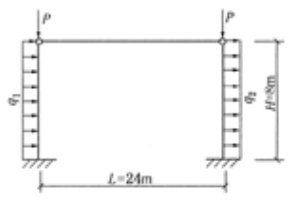
<p>有一无吊车工业厂房,采用刚性屋盖,其铰接排架结构计算简图如图所示。结构安全等级为二级;在垂直排架方向设有柱问支撑。混凝土强

分类: (结构) 专业考试二级 发布时间: 2023-11-03 00:57 浏览量: 0

有一无吊车工业厂房,采用刚性屋盖,其铰接排架结构计算简图如图所示。结构安全等级为二级;在垂直排架方向设有柱问支撑。混凝土强度等级为C20,纵向钢筋采用HRB335级钢,箍筋为HPB235级钢。柱子截面尺寸400mm×500mm,计算时假定as=a's=40mm。柱顶竖向静荷载标准值P=400kN,并假定屋面活荷载为零。风荷载标准值q1=4kN/m,q2=3kN/m。 提示: ①柱顶荷载作用在柱子中心线上; ②在风荷载作用下柱顶刚性横梁的轴向压力为1.5kN(标准值); ③在排架内力计算时不考虑柱自重; ④在排架方向,柱按偏心受压构件计算其正截面强度,且为对称配筋; ⑤在垂直排架方向,柱按中心受压构件计算其正截面强度。 有一无吊车工业厂房,采用刚性屋盖,其铰接排架结构计算简图如图2-22所示。结构安全等级为二级;在垂直排架方向设有柱问支撑。混凝土强度等级为C20,纵向钢筋采用HRB335级钢,箍筋为HPB235级钢。柱子截面尺寸400mm×500mm,计算时假定as=a's=40mm。柱顶竖向静荷载标准值P=400kN,并假定屋面活荷载为零。风荷载标准值q1=4kN/m,q2=3kN/m。 提示: ①柱顶荷载作用在柱子中心线上; ②在风荷载作用下柱顶刚性横梁的轴向压力为1.5kN(标准值); ③在排架内力计算时不考虑柱自重; ④在排架方向,柱按偏心受压构件计算其正截面强度,且为对称配筋; ⑤在垂直排架方向,柱按中心受压构件计算其正截面强度。 假定柱子的轴向压力设计值为N=480kN,在排架方向为大偏心受压构件,偏心距增大系数η=1.43,对称配筋,e0=375mm>0.35h0,柱子的纵向受压钢筋截面面积引最接近于()mm2。

A.1530

B.1280

C.1153

D.1104

正确答案是D