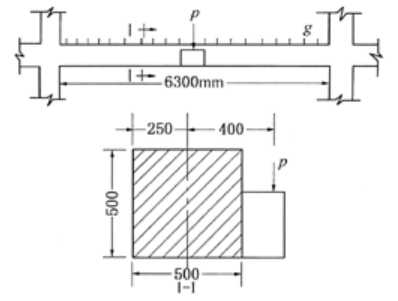
<p>某钢筋混凝土矩形截面梁,截面尺寸为500mm×500mm,计算跨度l0为6.3m,跨中有一短挑梁(见图),挑梁上作用有距梁

分类: (结构) 专业考试二级 发布时间: 2023-11-03 00:57 浏览量: 0

某钢筋混凝土矩形截面梁,截面尺寸为500mm×500mm,计算跨度l0为6.3m,跨中有一短挑梁(见图),挑梁上作用有距梁轴线400mm的集中荷载P=250kN,梁上的均布荷载设计值(包括自重)g=9kN/m,混凝土为C25,纵筋采用HRB400钢筋,箍筋采用HRB335钢筋。截面有效高度h0=465mm。

A.76

B.99

C.102

D.138

正确答案是D