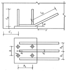
<p>如图所示,由预埋板和对称于力作用线配置的弯折锚筋与直锚筋共同承受剪力的预埋件,已知承受的剪力V=225kN,直锚筋直径d=

分类: (结构) 专业考试二级 发布时间: 2023-11-03 00:57 浏览量: 0

如图所示,由预埋板和对称于力作用线配置的弯折锚筋与直锚筋共同承受剪力的预埋件,已知承受的剪力V=225kN,直锚筋直径d=14mm,共4根,弯折钢筋与预埋钢板板面间的夹角α=30°,直锚筋问的距离b1和b均为100mm,弯折钢筋之间的距离b2=100mm,构件的混凝土为C30,钢板厚t=10mm,直锚筋与弯折锚筋均采用HRB335钢筋,钢板为Q235钢。

A.529

B.552

C.566

D.648

正确答案是A