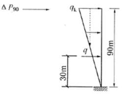
某大城市郊区某28层的高层建筑,如图所示。地面以上高度为90m,平面为一外径26m的圆形。基本风压数值为0.50kN/m2,风荷载体型系数为0.8。
已知作用于90m高度屋面处的风荷载标准值wk=1.50kN/m2,作用于90m高度屋面处的突出屋面小塔楼风荷载标准值△P90=600kN。假定风荷载沿高度呈倒三角形分布,地面处为0,如图所示。则在高度z=30m处风荷载产生的倾覆力矩设计值最接近于()kN·m。

A.924.20
B.78988
C.126840
D.152334
正确答案是C