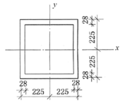
<p>某13层钢框架结构,箱形方柱截面如图所示,抗震设防烈度为8度,回转半径ix=iy=173mm,钢材采用Q345(fy=32

分类: (结构) 专业考试二级 发布时间: 2023-11-03 00:57 浏览量: 1

某13层钢框架结构,箱形方柱截面如图所示,抗震设防烈度为8度,回转半径ix=iy=173mm,钢材采用Q345(fy=325N/mm2)。则满足规程要求的最大层高h,应最接近于()mm。 提示:①按《高层民用建筑钢结构技术规程》(JGJ99-98)设计;②柱子的计算长度取层高h。

A.7800

B.8200

C.8800

D.9200

正确答案是C