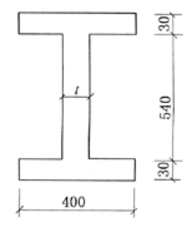
<p>某高层钢结构,按8度抗震设防。结构设中心支撑,支撑斜杆钢材采用Q345(fy=325N/mm2),构件横断面如图6-7所示

分类: (结构) 专业考试二级 发布时间: 2023-11-03 00:57 浏览量: 0

某高层钢结构,按8度抗震设防。结构设中心支撑,支撑斜杆钢材采用Q345(fy=325N/mm2),构件横断面如图6-7所示。则满足腹板宽厚比要求的腹板厚度t最接近于()mm。提示:按《高层民用建筑钢结构技术规程》(JGJ99-98)设计。

A.26

B.28

C.30

D.32

正确答案是A