首页
>
(结构) 专业考试二级
> 题目详情
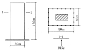
<p>在某大城市市中心有一特重要的钢筋混凝土框架一核心筒结 <img alt="" src="https://learnfil
分类: (结构) 专业考试二级
发布时间: 2023-11-03 00:57
浏览量: 0
在某大城市市中心有一特重要的钢筋混凝土框架一核心筒结
A.1.3
B.1.5
C.1.7
D.1.8
正确答案是D
← 返回分类
返回首页 →
相关题目
对于高度、截面尺寸、配筋以及材料强度完全相同的柱子,支承条件为( )情况时,其轴心受压承载力最大。
<p>某现浇钢筋混凝土多层框架结构房屋,抗震设计烈度为9度,抗震等级为一级;梁柱混凝土强度等级为C30,纵筋均采用HRB400级
<img alt="" src="https://learnfile.20230611.cn/learnAppQuestion/
<p>假定框架梁柱节点核心区的剪力设计值Vj=1300kN,箍筋采用HRB335级钢筋,箍筋间距s=100mm,节点核心区箍筋的
以下( )项不是影响钢筋耐久性的因素。
↑