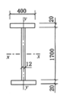
<p>某简支吊车梁,跨度12m,钢材为Q345钢,焊条为E50系列,承受两台75/20t重级工作制桥式吊车。吊车梁截面如图所示,

分类: (结构) 专业考试二级 发布时间: 2023-11-03 00:57 浏览量: 1

某简支吊车梁,跨度12m,钢材为Q345钢,焊条为E50系列,承受两台75/20t重级工作制桥式吊车。吊车梁截面如图所示,Ix=1674660cm6,采用QU100钢轨,轨高15cm,与受压翼缘牢固连接。 为保证吊车梁的腹板局部稳定性,需配置的加劲肋为()。

A.横向加劲肋

B.纵向加劲肋

C.同时配置纵、横向加劲肋

D.不需配置加劲肋

正确答案是C