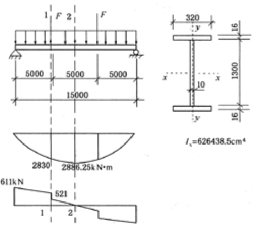
<p>某车间操作平台梁,铰接于柱顶。梁跨度15m,柱距5m,梁上承受均布恒载标准值3kN/m2(已包括自重),在梁的三分点处各承

分类: (结构) 专业考试二级 发布时间: 2023-11-03 00:57 浏览量: 1

某车间操作平台梁,铰接于柱顶。梁跨度15m,柱距5m,梁上承受均布恒载标准值3kN/m2(已包括自重),在梁的三分点处各承受一个固定集中活载,其标准值为F=340kN,且在固定集中活载处有可靠的侧向支承点,钢材为Q345钢,焊条为E50系列。钢梁截面及内力计算结果如图3-10所示。 如图所示,验算此梁的折算应力时,应计算()。

A.1截面的腹板计算高度边缘处

B.2截面的腹板计算高度边缘处

C.1截面的翼缘最大纤维处

D.2截面的翼缘最大纤维处

正确答案是A