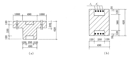
<p>某刚弹性方案单层房屋的组合砖砌体,截面尺寸见图。砖柱高度为5m,砌体采用MU10砖、M5混合砂浆,面层混凝土采用C20,钢

分类: (结构) 专业考试二级 发布时间: 2023-11-03 00:57 浏览量: 0

某刚弹性方案单层房屋的组合砖砌体,截面尺寸见图。砖柱高度为5m,砌体采用MU10砖、M5混合砂浆,面层混凝土采用C20,钢筋为HPB235,对称配筋,a=a'=35mm。承受轴向力设计值N=470kN,弯矩设计值M=230kN·m。 该柱的配筋As=A's最接近于()mm2。

A.1115.74

B.1128.47

C.1147.65

D.1242.69

正确答案是D