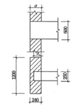
<p>已知外纵墙的窗间墙截面为1200mm×240mm(图),采用蒸压灰砂砖MU10和M5的混合砂浆砌筑,钢筋混凝土大梁截面尺寸

分类: (结构) 专业考试二级 发布时间: 2023-11-03 00:57 浏览量: 0

已知外纵墙的窗间墙截面为1200mm×240mm(图),采用蒸压灰砂砖MU10和M5的混合砂浆砌筑,钢筋混凝土大梁截面尺寸b×h=250mm×600mm,在梁端设置650mm×240mm×240mm预制垫块。由荷载设计值所产生的支座反力80kN,上部传来作用在梁底窗间墙截面上荷载设计值为50kN。 垫块外砌体面积的有利影响系数γ1最接近于()。

A.1.01

B.1.04

C.1.12

D.1.29

正确答案是B