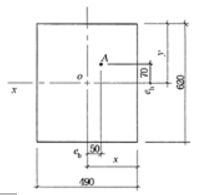
<p>一承受l=7.8m大梁作用的砖砌体柱,截面尺寸:x方向b=490mm,y方向h=620mm,设两方向偏心距分别为eb=50

分类: (结构) 专业考试二级 发布时间: 2023-11-03 00:57 浏览量: 0

一承受l=7.8m大梁作用的砖砌体柱,截面尺寸:x方向b=490mm,y方向h=620mm,设两方向偏心距分别为eb=50mm,eh=70mm,如图4-50所示;计算高度H0=4.9m;采用MU15烧结多孔砖(孔洞率为35%),M10水泥砂浆砌筑。则该柱受压承载力设计值最接近于()kN。

A.311.56

B.346.17

C.384.64

D.427.40

正确答案是A