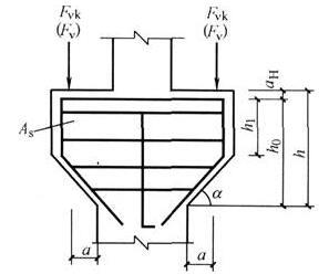
已知支承吊车梁的柱牛腿,如图1所示,宽度b=500mm,竖向力作用点至下柱边缘的水平距离a=50mm(已考虑安全偏差20mm),牛腿底面倾斜角a=45,作用在牛腿顶部的按荷载效应标准组合计算的竖向力Fvk=715kN,竖向力的设计值Fv=915kN,吊车梁的肋宽为250mm。混凝土强度等级选用C30,纵向受拉钢筋选用HRB335钢筋,水平箍筋为HPB235钢筋,外边缘高度h1=h/2(h为牛腿高度)。
根据牛腿的裂缝控制要求,牛腿的有效高度(mm),与下列何项数值最为接近?( )

A.485
B.569
C.634
D.582
正确答案是C