首页
>
注册环保工程师 - 公共基础
> 题目详情
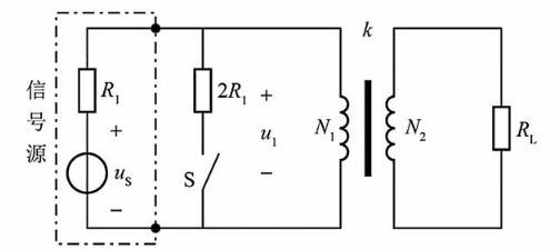
设图示变压器为理想器件,且
分类: 注册环保工程师 - 公共基础
发布时间: 2023-11-03 01:08
浏览量: 0
设图示变压器为理想器件,且
A.
B.开关S闭合时,信号源的内阻R1与信号源右侧电路的等效电阻相等,那么,开关S断开后,电压( )。
C.
D.
正确答案是C
← 返回分类
返回首页 →
相关题目
曲线f(x)=x4+4x3+x+1在区间(-∞,+∞)上的拐点个数是( )。
设向量α=(5,1,8),β=(3,2,7),若λα+β与Oz轴垂直,则常数λ等于( )。
已知y0是微分方程y″+py′+qy=0的解,y1是微分方程y″+py′+qy=f(x)(f(x)≠0)的解,则下列函数中是微分
设 A,B是两事件,若P (A)=1/4,P(B| A)=1/3,P(A| B)=1/2,则P(A∪ B)等于( )
设随机变量X与Y相互独立,D(X)=1,D(Y)=3,方差D(2X-Y)等于( )。
↑