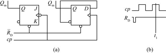
<p>图(a)所示电路中,复位信号及时钟脉冲信号如图(b)所示,给分析可知,在t1时刻,输出QJK和QD分别等于(  )。 <

分类: 注册环保工程师 - 公共基础 发布时间: 2023-11-03 01:08 浏览量: 1

图(a)所示电路中,复位信号及时钟脉冲信号如图(b)所示,给分析可知,在t1时刻,输出QJK和QD分别等于(  )。 附:D触发器的逻辑状态表为: JK触发器的逻辑状态表为:

A.0、0

B.0、1

C.1、0

D.1、1

正确答案是C