首页
>
专业基础知识(暖通空调+动力)
> 题目详情
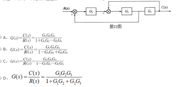
<p>如题32图所示,其总的传递函数G(s)=C(s)/R(s)为( ) <img alt="" src="https://
分类: 专业基础知识(暖通空调+动力)
发布时间: 2023-11-03 01:19
浏览量: 1
如题32图所示,其总的传递函数G(s)=C(s)/R(s)为( )
A.A
B.B
C.C
D.D
正确答案是B
← 返回分类
返回首页 →
相关题目
活塞式压缩机留有余隙的主要目的是( )。
设空气进入喷管的初始压力为1.2MPa,初始温度T1=350K,背压为0.1MPa,空气Rg=287J/(kg·K),采用渐缩喷
氨水吸收式制冷循环中,用于制冷和吸收的分别是( )。
在稳态常物性无内热源的导热过程中,可以得出与导热率(导热系数)无关的温度分布通解,t=ax+b,其具有特性为( )。
壁面添加肋片散热过程中,肋的高度未达到一定高度时,随着肋高度增加,散热量也增大。当肋高度超过某数值时,随着肋片高度增加,会出现(
↑