首页
>
专业基础知识(给排水)
> 题目详情
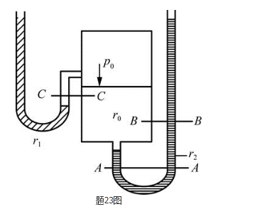
<p>如图所示满足等压面的是( )。 <img alt="" src="https://learnfile.20230611
分类: 专业基础知识(给排水)
发布时间: 2023-11-03 01:24
浏览量: 0
如图所示满足等压面的是( )。
A.A—A面
B.B—B面
C.C—C面
D.都不是
正确答案是A
← 返回分类
返回首页 →
相关题目
频率p=2%的设计洪水,是指( )。
减少抽样误差的途径有( )。
水文资料的三性审查中的三性是指( )。
达西公式并不是对所有的地下水层流运动都适用,其适用的雷诺数范围为( )。
泉水排泄是地下水排泄的主要方式,关于泉水叙述错误的是( )。
↑