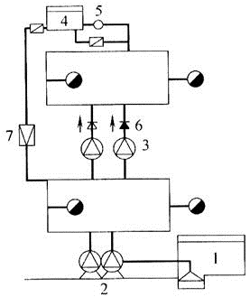
<p>超高层建筑采用高、低区消防水泵直接串联分区供水,(如图示,图中省略与题意无关的阀门及仪表)。高区着火,以下几种高、低区消防

分类: 专业知识(给排水) 发布时间: 2023-11-03 01:25 浏览量: 0

超高层建筑采用高、低区消防水泵直接串联分区供水,(如图示,图中省略与题意无关的阀门及仪表)。高区着火,以下几种高、低区消防泵的联动启动方式,哪种能满足系统正常工作?(  ) 题39图1—消防水池;2—低区消防泵(兼高区转输泵);3—高区消防泵;4—高位水箱;5—稳压泵;6—倒流防止器;7—减压阀。

A.高区消防泵先启动,低区消防泵联动启动

B.低区消防泵先启动,高区消防泵联动启动

C.高、低区消防泵同时启动

D.无论哪区消防泵先启动,只要高区消防泵能及时启动就可以

正确答案是B