首页
>
专业案例(给排水)
> 题目详情
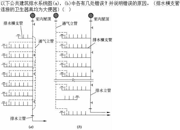
<img alt="" src="https://learnfile.20230611.cn/learnAppQuestion/
分类: 专业案例(给排水)
发布时间: 2023-11-03 01:25
浏览量: 0
A.图 (A):2处,图 (B):1处 B.图 (A):2处,图 (B):2处 C.图 (A):1处,图
A.:1处
B.图
C.:1处,图
D.:2处
正确答案是A
← 返回分类
返回首页 →
相关题目
某地表水取水构筑物采用两个独立的顶面进水的箱式取水头和两根重力进水管引水,设计规模为24万t/d。水厂自用水率和原水输水管漏失率
<img src="https://learnfile.20230611.cn/learnAppQuestion/0f/66/0
<img alt="" src="https://learnfile.20230611.cn/learnAppQuestion/
有一座均匀级配粗砂滤料V形滤池共分4格,设计过滤滤速为9m/h,并调节出水阀门保持恒水头等速过滤。在空气反冲洗强度15L/(s·
<img src="https://learnfile.20230611.cn/learnAppQuestion/79/66/7
↑