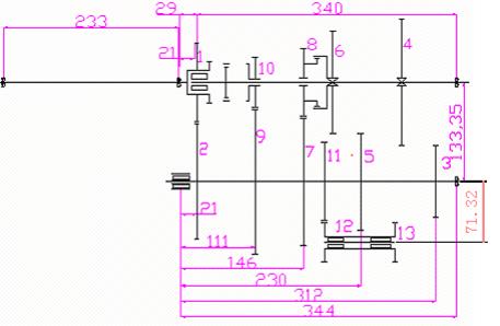
已知一汽车变速器为中间轴式变速器,中心距A=133.5,倒档中心距A`=71.32mm。

当车载总重 G=79000N ,轮胎自由外径D=
0.974 米 ,发动机最大扭矩 Temax=326N
·
m ,主传动比i0
=7.63 ,传动系机械效率 ηT=0.89
,最大道路阻力系数
时,试求该变速器各前进档之传动比。(注意:超速档传动比在
0.7~0.8 范围内选定)。
该变速器为一中间轴式变速器,有四个前进档,各档传动比为分别为:

1)先确定最大传动比。从车载总重量 G=79000N,可知该车是一种型载货汽车,因此从满足汽车动力性的要求出发,以满足最大爬坡度确定传动一档传动比。该车是货车,齿轮选用斜齿轮,法向模数为4,螺旋角为β=20°;
假设最大爬坡度定为30%,即αmax=16.7°,因此可估算一档传动比:
该车是货车,齿轮选用斜齿轮,法向模数为4,螺旋角为β=20°;
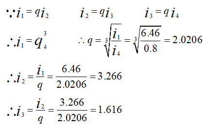
本题中,四档是超速档,取i4=0.8,则根据各档传动比成等比级数的要求,求出四个前进档的传动比。

2)确定一挡齿轮的齿数
一挡传动比
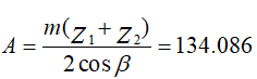
a) 如果Z3和Z4的齿数确定了,则Z1与Z2可通过传动比求出。为了求Z3和Z4的齿数,先求其齿数和
;这里齿数和不是整数,取整Zh=63。为了使第一轴长啮合齿轮可以分配较多齿数,以便在其内腔里设置第二轴轴承支撑,常使 Z4/ Z3大些,Z2/
Z1小些。故,对于货车,取Z3=17则Z4= Zh-Z3 =63-17=46
因刚才齿数取过整,中心距变为
(可以通过齿轮变位达到原始中心距,这里不再讨论)。
b) 现在计算常啮合齿轮齿数:
; 同样,常啮合齿轮齿数要满足中心距变A=134.086,即
,故满足上述两条件,可算得
;
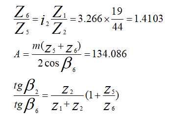
2)确定二档齿轮的齿数。二档齿轮的齿数满足下面三个等式:分别是传动比、中心距和平衡中间轴的轴向力。

解得Z5=26
Z6=37
β6=17.0175°
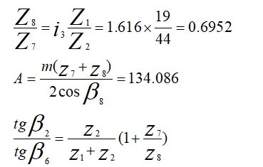
3)确定三档齿轮的齿数。三档齿轮的齿数也应满足下面三个等式:分别是传动比、中心距和平衡中间轴的轴向力。

解得Z7=37
Z8=26
β8=12.14°
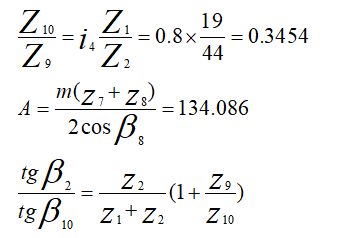
4)确定四档齿轮的齿数。三档齿轮的齿数也应满足下面三个等式:分别是传动比、中心距和平衡中间轴的轴向力。

解得Z9=46
Z10=17
β8=8.005°
5)确定倒档齿轮齿数。应满足两个中心距的要求

从而解的Z11=13
Z12=36
倒档传动比 
该变速器为一中间轴式变速器,有四个前进档,各档传动比为分别为:

1)先确定最大传动比。从车载总重量 G=79000N,可知该车是一种型载货汽车,因此从满足汽车动力性的要求出发,以满足最大爬坡度确定传动一档传动比。该车是货车,齿轮选用斜齿轮,法向模数为4,螺旋角为β=20°;
假设最大爬坡度定为30%,即αmax=16.7°,因此可估算一档传动比:
该车是货车,齿轮选用斜齿轮,法向模数为4,螺旋角为β=20°;
本题中,四档是超速档,取i4=0.8,则根据各档传动比成等比级数的要求,求出四个前进档的传动比。

2)确定一挡齿轮的齿数
一挡传动比
a) 如果Z3和Z4的齿数确定了,则Z1与Z2可通过传动比求出。为了求Z3和Z4的齿数,先求其齿数和
;这里齿数和不是整数,取整Zh=63。为了使第一轴长啮合齿轮可以分配较多齿数,以便在其内腔里设置第二轴轴承支撑,常使 Z4/ Z3大些,Z2/
Z1小些。故,对于货车,取Z3=17则Z4= Zh-Z3 =63-17=46
因刚才齿数取过整,中心距变为
(可以通过齿轮变位达到原始中心距,这里不再讨论)。
b) 现在计算常啮合齿轮齿数:
; 同样,常啮合齿轮齿数要满足中心距变A=134.086,即
,故满足上述两条件,可算得
;
2)确定二档齿轮的齿数。二档齿轮的齿数满足下面三个等式:分别是传动比、中心距和平衡中间轴的轴向力。

解得Z5=26
Z6=37
β6=17.0175°
3)确定三档齿轮的齿数。三档齿轮的齿数也应满足下面三个等式:分别是传动比、中心距和平衡中间轴的轴向力。

解得Z7=37
Z8=26
β8=12.14°
4)确定四档齿轮的齿数。三档齿轮的齿数也应满足下面三个等式:分别是传动比、中心距和平衡中间轴的轴向力。

解得Z9=46
Z10=17
β8=8.005°
5)确定倒档齿轮齿数。应满足两个中心距的要求

从而解的Z11=13
Z12=36
倒档传动比 