阅读下列说明,回答【问题1】至【问题4】,将解答填入答题纸的对应栏内。
【说明】某公司开发一个医疗卫生客户端后台大数据平台,该平台可以实现基于患者行为、医生需求、检验、检查、开药、划价、交费等活动。公司指派李工负责项目的质量管理,由于刚开始从事质量管理工作,张工进行充分的学习、并梳理了如下内容:
1.质量规划的目的是确定项目应当采取哪些质量标准以及如何达到这些标准,进行制定质量管理规划;
2.质量保证和质量控制类似,控制优于保证,项目中应重点关注质量控制。可以可以放松质量保证;
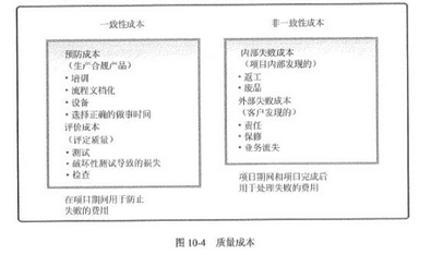
3.质量规划阶段需要考虑质量成本的因素,质量成本是项目总成本的一个组成部分,因此张工建立了如下表格,以区分一致性成本和非一致性成本。
[问题1] (5分)在本案例中,张工完成质量管理规划后,应该输出哪些内容?
[问题2](12分)结合案例,写出质量管理的主要过程?请指出张工在这方面看法是否正确?写出质量管理老七种工具
[问题3](8分)请对张工设计的成本分类表格的内容进行判断(正确打√,错误打×)考核一致性成本和非一致性成本的区别:
[问题1] (5分)在本案例中,张工完成质量管理规划后,应该输出哪些内容?
【参考答案】质量管理计划,过程改进计划,质量测量指标,质量核对单,项目文件更新
[问题2](12分)结合案例,写出质量管理的主要过程?请指出张工在这方面看法是否正确?写出质量管理老七种工具
【参考答案】规划质量,质量保证,质量控制不正确。质量管理老七种工具包含因果图、流程图、核查表、帕累托图、直方图、控制图和散点图
[问题3](8分)请对张工设计的成本分类表格的内容进行判断(正确打√,错误打×)考核一致性成本和非一致性成本的区别:
【参考答案】根据附图,判断结果如下:对对错对对错对错
