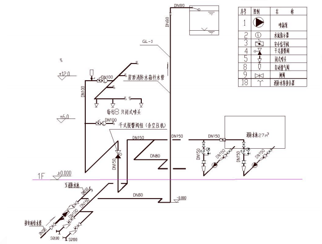
<p>北方某严重危险级Ⅰ级工厂车间,无吊顶及采暖设施。该车间采用全自动无人值守生产线,安装火灾自动报警系统,消火栓系统,及干式自

分类: 消防安全案例分析(一级、二级) 发布时间: 2023-11-03 05:32 浏览量: 0

北方某严重危险级Ⅰ级工厂车间,无吊顶及采暖设施。该车间采用全自动无人值守生产线,安装火灾自动报警系统,消火栓系统,及干式自动喷水灭火系统保护;另外设置水幕系统作为防火分隔。车间共2层,每层高6m,每层建筑面积4000㎡。干式自动喷水灭火系统示意图见下图,采用统一规格的闭式玻璃球洒水喷头。 干式报警阀安装在一层报警阀室,靠近空压机处设有安全排气阀门及低气压报警装置。安装完成后进行调试,发现报警阀启动时间过慢。 二、根据以上材料,回答问题: 1.试分析车间采用的所有洒水喷头类型。2.分析本案例图中组件设置错误,并改正。3.若自动喷水灭火系统采用扩大面积洒水喷头,试确定该厂房干式系统喷头备用量及报警阀组设置数量。4.指出并改正报警阀组的设置安装问题。启动时间过慢可能有哪些原因?5.简述干式报警阀的调试要求。调试过程中,系统经常发出低气压报警信号,空压机频繁启动,可能是那些原因造成的?

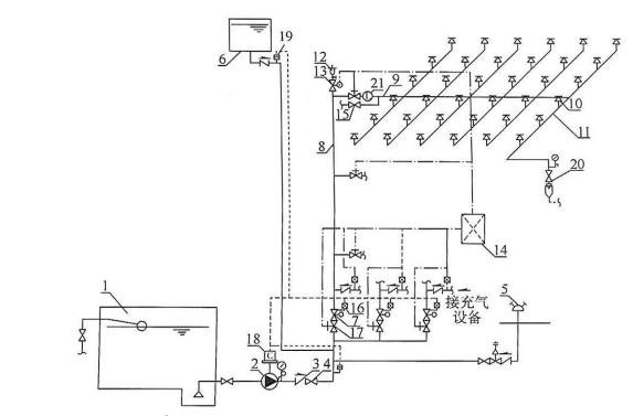
1.干式自动喷水灭火系统应采用直立性喷头;水幕系统应用于防火分隔时应采用水幕 喷头或开式洒水喷头。 根据《自动喷水灭火系统设计规范》6.1.4 干式系统、预作用系统应采用直立型洒 水喷头或干式下垂型洒水喷头。同时该厂房无吊顶,所以干式系统采用直立型喷头。 6.1.5-1 防火分隔水幕应采用开式洒水喷头或水幕喷头 2.(1)系统为干式系统,喷头应采用直立型。 (2)由于车间为严重危险级Ⅰ级,所以每根配水管所带喷头数不应超过 6 只。 (3)配水管道上应设置快速排气阀。 (4)报警阀最不利点处没有设置末端试水装。应在二层最不利点处设置末端试水装置,一层 可设置试水阀门。 (5)消防水箱出水管没有与报警阀前进水干管相连接,应增加水箱至报警阀前的稳压管道。 (1)根据《自动喷水灭火系统设计规范 GB50084-2017》6.1.4:干式系统、预作用 系统应采用直立型洒水喷头或干式下垂型洒水喷头。 (2)8.0.8:配水管两侧每根配水支管控制的标准流量洒水喷头数量,轻危险级、中危险级 场所不应超过 8 只,同时在吊顶上下设置喷头的配水支管,上下侧均不应超过 8 只。严重危险级 及仓库危险级场所均不应超过 6 只。 (3)4.3.2-4:干式系统和预作用系统的配水管道应设快速排气阀。有压充气管道的快速排 气阀入口前应设电动阀。 (4)6.5.1 每个报警阀组控制的最不利点洒水喷头处应设末端试水装置,其他防火分区、楼 层均应设直径为 25mm 的试水阀。 (5)可见《自动喷水灭火系统设计规范 GB50084-2017》规范 4.2.3 条文说明,干式系统图。 3.(1)干式系统喷头总数为 8000/13=616 个,喷头备用量 616*1%=7 只,少于 10 只, 取 10 只。 (2)干式系统报警阀数量 616/500=2 个 (1)根据《自动喷水灭火系统设计规范》7.1.4,扩大覆盖面积洒水喷头 则严重危险级Ⅰ级一个扩大覆盖面积洒水喷头最大保护面积为 13 ㎡,干式系统总计喷头数为 8000/13=616 个。 根据 6.1.10 自动喷水灭火系统应有备用洒水喷头,其数量不应少于总数的 1%,且每种型号 均不得少于 10 只。616*1%=7 只,少于 10 只,则按 10 只计算 (2)6.2.3 一个报警阀组控制的洒水喷头数应符合下列规定:1 湿式系统、预作用系统不宜 超过 800 只;干式系统不宜超过 500 只;所以至少需要 2 个报警阀组。 4.(1)错误一:干式报警阀组安装在仓库一层,但仓库无采暖,且无人值守,不合适。 改正:干式报警阀应设置在不发生冰冻的场所,且设置的水力警铃应设置在有人值守或有人员的 公共通道上。 (2)错误二:靠近空压机处设有安全排气阀门及低气压报警装置。改正:安全排气阀应设置 在靠近报警阀一侧,低气压预报警装置应设置在配水管道上。 (3)启动过慢可能的原因包括:1)没有设置快速排气阀;2)设置了快速排气阀,但故障; 3)报警阀后气压值设定过高,导致排气时间增加。 (1)根据《自动喷水灭火系统施工验收规范》5.3.4 干式报警阀组的安装应符合下 列要求:应安装在不发生冰冻的场所。 5.4.4 水力警铃应安装在公共通道或值班室附近的外墙上。 (2)5.3.4-5:安全排气阀应安装在气源与报警阀之间,且应靠近报警阀;5.3.4-7:低气压 预报警装置应安装在配水干管一侧。 (3)根据《自动喷水灭火系统设计规范》4.3.2-4 干式系统和预作用系统的配水管道应设快 速排气阀。另外,干式报警阀的启动是当阀后气压值低于一定值后,阀板才打开,因此压力设定 越高,开启越延迟。 5.(1)调试要求:干式报警阀调试时,开启系统试验阀,报警阀的启动时间、启动点 压力、水流到试验装置出口所需时间,均应符合设计要求。 (2)空压机频繁启动原因:1)系统侧管网或喷头连接不严漏气;2)干式报警阀气室没有注 入水封;3)低气压报警装置故障;4)快速排气阀故障或不密封。 (1)干式报警阀调试要求为规范原文。 (2)空压机频发启动证明管网或组件有渗漏现象,或者设备出现故障。可从这两个方面进行 查找。