<p>某证券公司大楼的地下一层,建筑面积为4000m2,层高为4m,设置了机械排烟和机械补风系统,高压变电室、低压配电室共用一套

分类: 消防安全案例分析(一级、二级) 发布时间: 2023-11-03 05:32 浏览量: 0

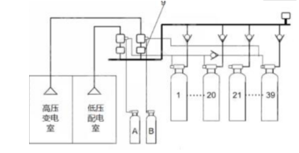
某证券公司大楼的地下一层,建筑面积为4000m2,层高为4m,设置了机械排烟和机械补风系统,高压变电室、低压配电室共用一套组合分配IG541混合气体灭火系统。系统组成示意图见下图,火灾报警控制器、气体灭火控制器安装在同层消防控制室内。消防控制室与低压配电室的值班室合用。2020年8月3日,消防技术服务机构对地下室机械排烟和机械补风系统,高压变电室,低压配电室气体灭火系统进行检查。情况如下: (1)机械排烟和机械补风系统:6个板式排烟口中的2个已更换为格栅排烟口,格栅排烟口阀体手动驱动装置地面2.5m,逐一按下板式排烟口的远距离手动驱动装置复位按钮,其中1个板式排烟口不能完全开启,其他板式排烟口开启后,用风速计测量排烟口,补风口处风速为0,排烟风机、补风机未启动。   (2)气体灭火系:消防控制室值班记录本上填写的值进时间是8:30~20:30,有1人签字,值班人员仅持有电工操作证;询问“紧急停止”按钮的作用,值班人员回答“接下“紧急停止”按钮,正在喷气的IG541钢瓶停止喷气”查看标签得知IG541钢瓶最近检查时间是2015年1月;触发高压变电室感烟火灾探测器、感温火灾探测器报警,气体灭火控制器接收不到联动信号。   简答题   1该单位将板式排烟口更换成格栅排烟口是否可行?为什么?分析板式物排烟口不能正常打开的原因并提出修复方法。   2.造成板式排烟口开启后排烟风机无法启动的原因是什么?   3.关于“紧急停止”按钮的作用,值班人员的回答是否正确?为什么?该公司大楼高压变电室、低压配电室e气体灭火系统的维护管理存在什么问题?   4.示意图中9所指部件名称是什么?低压配电室发生火灾时,哪个启动气瓶应该启动?哪些钢瓶应喷放IG541混合气体?

1(1)不可行(0.5分),排烟口应为常闭状态,格栅式排烟口不满足常闭。(0.5分) (2)板式排烟口不能正常打开的原因:排烟阀组件变形,生锈等原因卡阻(0.5分);开启装置故障(0.5分)修复方法:维修或更换变形部件,清理卡阻部位(0.5分);维修或更换开启装置(0.5分) 2(1)排烟口与火灾报警控制器之间连线故障(1分) (2)模块故障(1分) (3)火灾报警控制器控制模式为手动状态(1分) (4)联动控制逻辑错误(1分) 3(1)不正确。 (0.5分)原因:“紧急停止”按钮只在气体灭火控制器发出声光报警信号并在延迟阶段内按下,系统才能停止实施灭火操作。(1分) (2)维护管理存在问题:消防控制室值班时间8:30----20:30,有1人签字,不正确,2 (1分)实行每日24h值班制度,每班工作时间应不大于8h,每班人员应不少于2人(1分)值班人员仅持有电工操作证,不对(0.5),值班人员应通过消防行业特有工种职业技能鉴定,持有相应等级的职业资格证书。(0.5分)2015年1月-2020年8月3日钢瓶未检查(0.5分),不对,五年后,对释放过的储瓶、阀门应进行水压强度和气体密封性试验,试验合格方可继续使用。(0.5分)触发高压变电室感烟火灾探测器、感温火灾探测器报警,气体灭火控制器接收不到联动信号,不对,应该启动气体灭火系统。(0.5分) 4、(1)图中9指的是减压阀。(1分) (2)低压配电室发生火灾,启动气瓶A动作。(1分) (3)1-20号钢瓶动作。(1分)