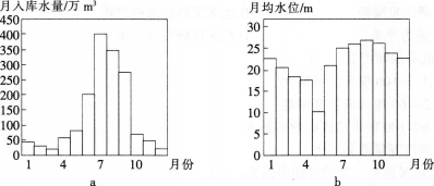
<p>下图表示我国某水库年内逐月入库水量(a)、月均水位(水面海拔)(b),据此回答题。 <img alt="" src="h

分类: (中学)地理学科知识与教学能力 发布时间: 2023-11-03 07:44 浏览量: 0

下图表示我国某水库年内逐月入库水量(a)、月均水位(水面海拔)(b),据此回答题。 图中信息表明(  )。查看材料

A.1~7月流域降水量持续增加

B.夏秋季节水库水位随入库水量的减少而降低

C.冬春季节水库入库水量少于出库水量

D.6~12月水库水位随流域降水量的增多而升高

正确答案是C