首页
>
电工类 (电网)
> 题目详情
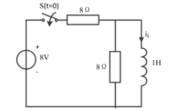
<p>下图所示电路中,iL(0-)=3A,t=0时开关闭合,电感电流iL的全响应为() <img alt="" src="ht
分类: 电工类 (电网)
发布时间: 2023-11-03 08:51
浏览量: 0
下图所示电路中,iL(0-)=3A,t=0时开关闭合,电感电流iL的全响应为()
A.A
B.B
C.C
D.D
正确答案是C
← 返回分类
返回首页 →
相关题目
为保证发电厂厂用低压单个或成组电动机可靠启动,要求厂用母线电压不低于额定电压的()
围绕计费电能表窃电,窃电量按()计算。 A.窃电者用电设备容量*窃电时间 B.计费电能表标定电流值所指的容量*窃电时间
断路器、隔离开关、接地开关在电气设备(线路)与电源接通时的操作顺序为() A.先合隔离开关,再断开接地开关,最后合上断路器
用于两种电压等级之间交换功率的变压器称为()
<img alt="" src="https://learnfile.20230611.cn/learnAppQuestion/
↑