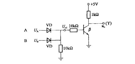
<p>图示电路中,二极管视为理想元件,即正向电压降为零,反向电阻为无穷大。三极管的β=100。输入信号U A、UB的高电平是3

分类: 土木建筑类 (电网) 发布时间: 2023-11-03 08:53 浏览量: 1

图示电路中,二极管视为理想元件,即正向电压降为零,反向电阻为无穷大。三极管的β=100。输入信号U A、UB的高电平是3.5V,(逻辑1),低电平是0.3V(逻辑0),若该电路的输出电压U0为电压平时定为逻辑1,图所示电路应为:

A.与门

B.与非门

C.或门

D.或非门

正确答案是D