首页
>
土木建筑类 (电网)
> 题目详情
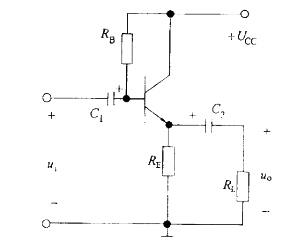
<p>共集电极放大电路如图所示,三极管的输入电阻和电流放大倍数为已知数,该放大器的电压放大倍数表达式为: <img alt="
分类: 土木建筑类 (电网)
发布时间: 2023-11-03 08:53
浏览量: 1
共集电极放大电路如图所示,三极管的输入电阻和电流放大倍数为已知数,该放大器的电压放大倍数表达式为:
A.A
B.B
C.C
D.D
正确答案是D
← 返回分类
返回首页 →
相关题目
从测量平面直角坐标系的规定判断,下列中哪一项叙述是正确的?
测量工作的基本原则是从整体到局部,从高级到低级,还有下列中的哪一项原则?
水准面上任一点的铅垂线都与该面相垂直,水准面是由自由静止的海水面向大陆、岛屿内延伸而成的,形成下列中的哪一种面?
某点到大地水准面的铅垂距离对该点称为:
目前中国采用统一的测量高程是指:
↑