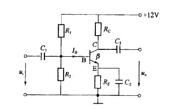
<p>如图所示电路中,R1=50kΩ,R2=10kΩ,RE=1kΩ,RC=5kΩ,晶体管的β=60,静态UBE=0.7V。静态基

分类: 土木建筑类 (电网) 发布时间: 2023-11-03 08:53 浏览量: 1

如图所示电路中,R1=50kΩ,R2=10kΩ,RE=1kΩ,RC=5kΩ,晶体管的β=60,静态UBE=0.7V。静态基极电流IB等于()mA。 A.0.0152mA

A.0. 0213mA

B.0. 0286m

D.0. 0328mA

正确答案是B