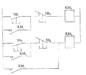
<p>图示的控制电路中,SB为按钮,KM为接触器,若按动SB2,试判断下列哪个结论正确? <img alt="" src="h

分类: 土木建筑类 (电网) 发布时间: 2023-11-03 08:53 浏览量: 1

图示的控制电路中,SB为按钮,KM为接触器,若按动SB2,试判断下列哪个结论正确?

A.接触器KM2通电动作后,KM1跟着动作

B.只有接触器KM2动作

C.只有接触器KM1动作

D.以上答案都不对

正确答案是B