首页
>
土木建筑类 (电网)
> 题目详情
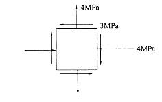
<p>某点平面应力状态如图所示,则该点的应力圆为: <img alt="" src="https://learnfile.20
分类: 土木建筑类 (电网)
发布时间: 2023-11-03 08:54
浏览量: 0
某点平面应力状态如图所示,则该点的应力圆为:
A.—个点圆
B.圆心在原点的点圆
C.圆心在(5MPa,0)点的点圆
D.圆心在原点、半径为5MPa的圆
正确答案是D
← 返回分类
返回首页 →
相关题目
从测量平面直角坐标系的规定判断,下列中哪一项叙述是正确的?
测量工作的基本原则是从整体到局部,从高级到低级,还有下列中的哪一项原则?
水准面上任一点的铅垂线都与该面相垂直,水准面是由自由静止的海水面向大陆、岛屿内延伸而成的,形成下列中的哪一种面?
某点到大地水准面的铅垂距离对该点称为:
目前中国采用统一的测量高程是指:
↑