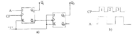
<p>由两个主从型JK触发器组成的逻辑电路如图a)所示,设Q1、Q2的初始态是0、0,已知输入信号A和脉冲信号CP的波形,如图b

分类: 机械动力类 (电网) 发布时间: 2023-11-03 08:55 浏览量: 1

由两个主从型JK触发器组成的逻辑电路如图a)所示,设Q1、Q2的初始态是0、0,已知输入信号A和脉冲信号CP的波形,如图b)所示,当第二个CP脉冲作用后,Q1、Q2将变为:

A.1、1

B.1、0

C.0、1

D.保持0、0不变

正确答案是C