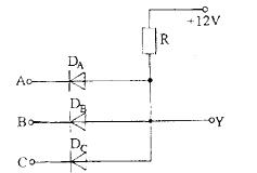
<p>图为三个二极管和电阻R组成一个基本逻辑门电路,输入二极管的高电平和低电平分别是3V和0V,电路的逻辑关系式是: <img

分类: 机械动力类 (电网) 发布时间: 2023-11-03 08:55 浏览量: 1

图为三个二极管和电阻R组成一个基本逻辑门电路,输入二极管的高电平和低电平分别是3V和0V,电路的逻辑关系式是: A.Y=ABC

A.Y=A+B+C

B.Y=AB+C

C.Y=(A+

D.C

正确答案是A