首页
>
机械动力类 (电网)
> 题目详情
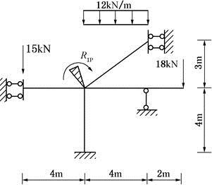
<p>用位移法计算图结构时,附加刚臂的约束反力矩R1P之值为( )kN·m。 <img alt="" src="https:
分类: 机械动力类 (电网)
发布时间: 2023-11-03 08:55
浏览量: 4
用位移法计算图结构时,附加刚臂的约束反力矩R1P之值为( )kN·m。
A.-38
B.-28
C.26
D.32
正确答案是D
← 返回分类
返回首页 →
相关题目
<p>图示平面体系的计算自由度为: <img alt="" src="https://learnfile.20230611.c
三个刚片用三个铰(包括虚铰)两两相互连接而成的体系是
连接三个刚片的铰结点,相当于约束个数为:
<p>在图示体系中,视为多余联系的三根链杆应是: <img alt="" src="https://learnfile.202
<p>对图示体系作几何组成分析时,用三刚片组成规则进行分析。则三个刚片应是: <img alt="" src="https:/
↑