首页
>
装表接电题库
> 题目详情
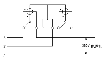
12. 画出用220伏三相三线有功电能表计量单相380伏电焊机等设备的接线图(直接接入)。
分类: 装表接电题库
发布时间: 2023-11-09 05:26
浏览量: 1
12. 画出用220伏三相三线有功电能表计量单相380伏电焊机等设备的接线图(直接接入)。
← 返回分类
返回首页 →
相关题目
<p> 某用户元月——六月共用有功电量W<sub>P</sub>=10590.3万kwh,无功电量W<sub>Q</sub>=7
<p>已知三相三线有功电能表接线错误,其接线方式为:<img src="https://learnfile.20230611.c
<p>已知三相三线有功电能表接线错误,其接线方式为:<img src="https://learnfile.20230611.c
<p> 某用户TV为10/0.1kV,TA为200/5A,电表常数为2500转/kWh,现场实测电压为10kV,电流为170A,
<p>某用户安装的是3×380v/220v 5(20)A的三相电能表,请问能接3×380v <img src="https
↑