首页
>
装表接电题库
> 题目详情
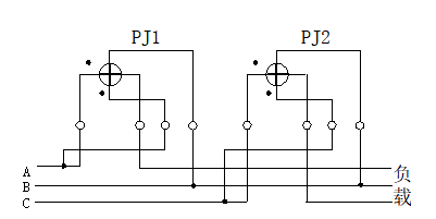
<p>18. 画出用两只单相有功电能表测量三相三线电路负载功率因数的接线图。(设W<sub>1</sub>示值为P<sub>1<
分类: 装表接电题库
发布时间: 2023-11-09 05:27
浏览量: 0
18. 画出用两只单相有功电能表测量三相三线电路负载功率因数的接线图。(设W
1
示值为P
1
,W
2
示值为P
2
,功率因数计算公式为:
← 返回分类
返回首页 →
相关题目
<p> 某用户元月——六月共用有功电量W<sub>P</sub>=10590.3万kwh,无功电量W<sub>Q</sub>=7
<p>已知三相三线有功电能表接线错误,其接线方式为:<img src="https://learnfile.20230611.c
<p>已知三相三线有功电能表接线错误,其接线方式为:<img src="https://learnfile.20230611.c
<p> 某用户TV为10/0.1kV,TA为200/5A,电表常数为2500转/kWh,现场实测电压为10kV,电流为170A,
<p>某用户安装的是3×380v/220v 5(20)A的三相电能表,请问能接3×380v <img src="https
↑