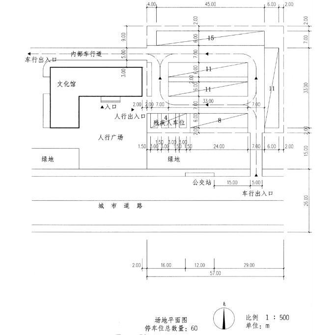
设计条件
1.某文化馆(建筑耐火等级二级)拟建机动车停车场,场地平面如图所示。
2.在用地红线内尽可能多地布置停车位(含残疾人停车位4个)。
3.停车场应分别设置人行、车行出入口、车行出入口可由城市道路引入(可穿越绿地),也可利用内部车行道,但不应通过人行广场。
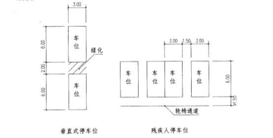
4.停车场内车行道要求贯通,宽度不应小于7m:停车方式采用垂直式,停车位尺寸及布置要求见示意图。
5.停车场设一个机动车出入口时,出入口宽度不应小于7m;设两个机动车出入口时,两个出入口宽度均不应小于5m。
6.停车场用地红线内侧需留出宽度不小于2m的绿化带,出入口通道处可不设。



D