【设计条件】
·某市拟建一停车场,有两块地块可供选择,其场地平面如图(b)所示。
·规划要求停车场用地退道路界线10m,沿停车场周边至少留出1.5m绿化带,停车场出入口由城市道路引入,引道不得超出地块用地界线。
·要求在满足《停车场规划设计规则》前提下,选择能多布置停车位的地块。
·在所选地块内尽可能多布置停车位,停车位大小及布置见图(a)要求,停车场内车行道宽度不得小于7m,要求车道贯通,一律采用垂直式停车方式。
·停车场内设置管理用房一处,平面尺寸为4m×5m,设在出入口处。


1.确定出入口的数量
先估算总的停车位数量,根据总的停车位数量确定出入口的数量。如前所述,可按照每辆车所需停车面积 47 m
左右估算,用场地的面积除以 47 m
/辆,即可得出场地大致的停车位数量。
(1)根据题目条件,地块一停车场总面积为 47m×42m+18m×30m=2514 m
,2514 m
/47(m
/辆)≈53 辆>50 辆,所以若在地块一中建设停车场,则需设两个出入口。
(2)根据题目条件,地块二停车场总面积为 41m×19m+47m×42m=2753 m
,2753 m
/47(m
/辆)≈58 辆>50 辆,所以若在地块二中建设停车场,也需设两个出入口。
2.确定出入口位置
不论选择哪个地块作为停车场的建设用地,停车场的出入口都应从城市道路引入,出入口之间的净距应大于或等于 10m,出入口宽度应大于或等于 7m。但是,地块二和城市道路的接触面长度为 19m,如果设置两个宽度为 7m 的出入口,则无法满足出入口之间的净距应大于或等于10m 的要求,所以应选择在地块一中建设停车场。选择题第 1 小题的答案应选答案 B。
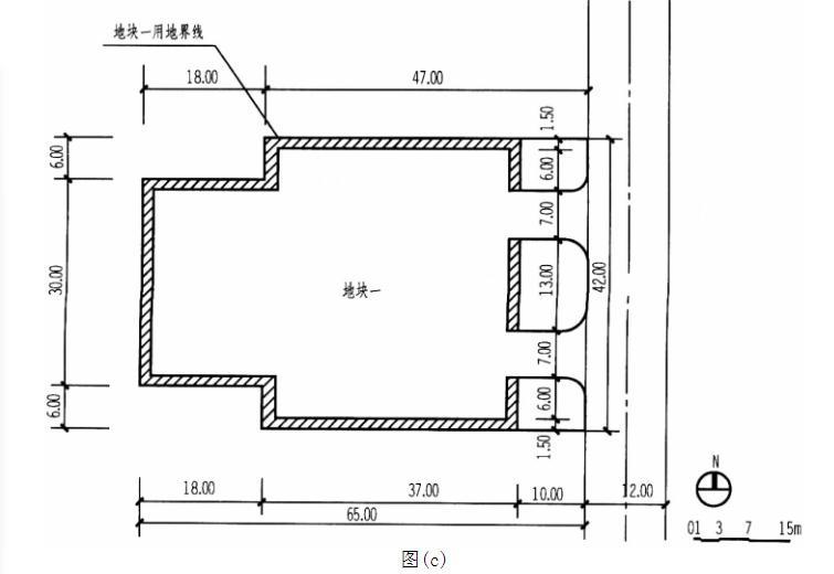
按照题目要求绘制出基地四周 1.5m 宽绿化带。
停车场出入口应从城市道路引入,即从地块一南侧引入。两个出入口
应满足净距≥10m 的要求,所以将出入口分别设在场地东北角和东南角,如图(c)所示。
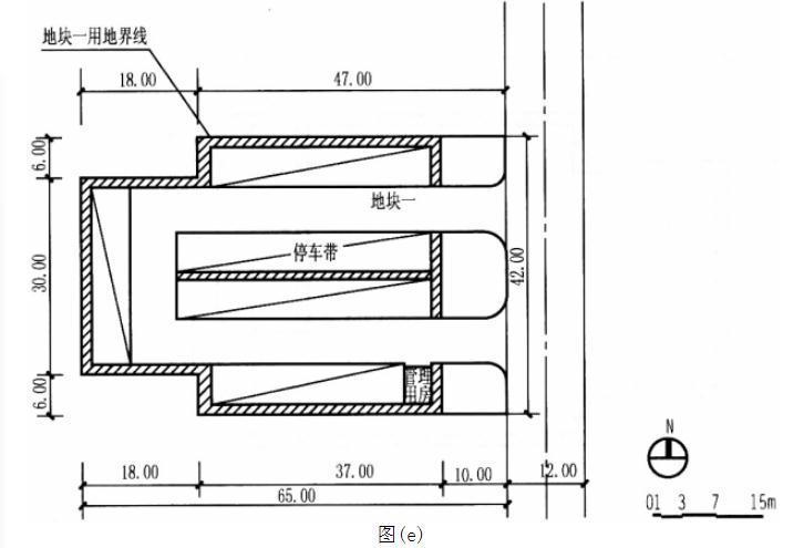
3.确定停车带的布置方向
本题中场地宽度为 21m×2=42m,符合停车带参考规则(2)。选择双面停车带的布置方式,可布置两组。停车带东西向布置 4 排,行车道东西向布置两道,为最大限度地布置停车位数量,应选择环通式行车道,西侧布置垂直停车位。结果如图(d)所示。
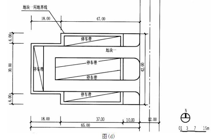
4.布置管理用房
管理用房应布置在停车场出入口附近,方便管理人员管理和收费。本题可将其布置于停车场的南侧出入口旁边,管理用房尺寸为 5m×4m,如图(e)所示。
5. 计算停车位数
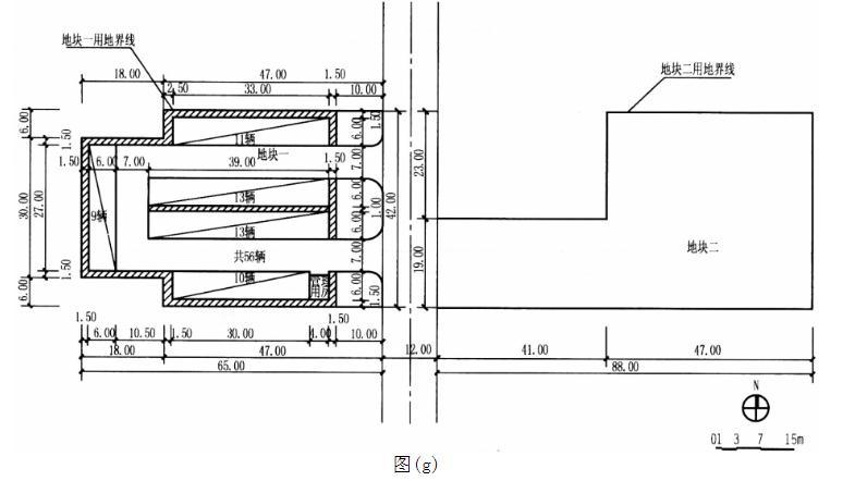
根据场地的尺寸,可以计算得出每一处停车带停车数量及停车总数。如图(f)所示,场地北侧可停车 11 辆,南侧可停车 10 辆,场地西侧 9 辆,中间可停车 26 辆,停车总数为 56 辆。所以选择题第 2 题应选答案 D。
6.标注相关尺寸、出入口位置及停车带停车数量及停车总数(图 g)

